02 Feb,2026
Come si confrontano i motori idraulici industriali con i motori pneumatici in termini di prestazioni?


Motori con azionamento ad alta pressione, ad alta velocità e valvole di bilanciamento,
È progettato per condizioni di carico elevato
È la soluzione ideale per un escavatore idraulico da 6 a 50 tonnellate
Design efficiente e compatto
La tecnologia ad alta pressione aumenta l'efficienza del sistema idraulico
Motore a due velocità con valvola di bilanciamento integrata e valvola limitatrice di pressione
Il motore integra la funzione di frenatura idraulica
La velocità può essere modificata automaticamente su richiesta
Bassa temperatura, alta efficienza
Intervallo di temperatura operativa: -20°C~80°C
Design compatto
I motori ad alta pressione a bassa cilindrata prolungano la durata di componenti importanti e migliorano l'intero
Durabilità del sistema
Rivestimento interamente in rame per la rotazione idraulica del pistone
Doppio vassoio di distribuzione in metallo (rame/acciaio).
La combinazione di rotazione con uno speciale sistema a molla aumenta la durata del motore
Il triplo sistema di tenuta del riduttore: tenuta meccanica a labirinto, paraolio di tipo V, paraolio principale.
Il paraolio principale può essere sostituito senza smontare il riduttore
I cuscinetti del riduttore sono componenti indipendenti, facili da installare e possono essere completamente predisposti per carichi negativi
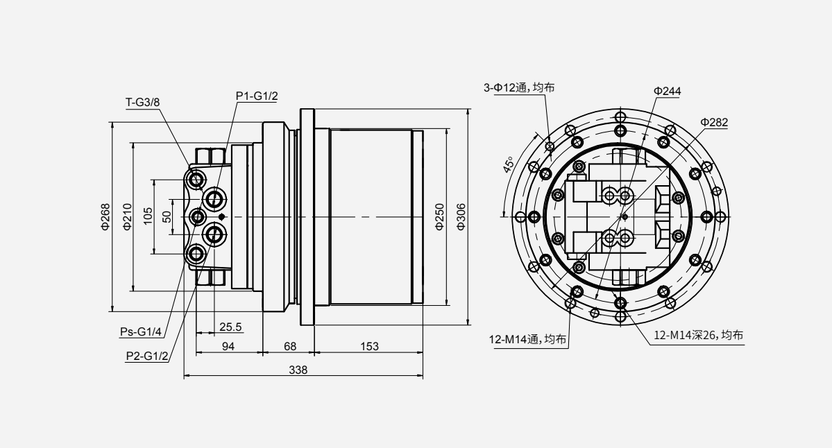
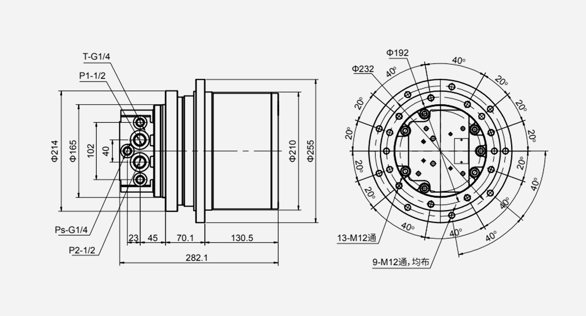
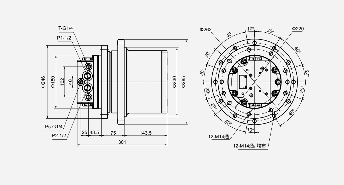
ITM01:
| Modaleeeeeeeeeee | (l/min) | (ML/r) | (MPa) | (MPa) | Rapporto di trasmissione | (Nm) | (giri/min) | Rotazione | (℃) | (mm2/s) |
| ITM01 | 20 | 6.31/12.56 | 25 | 2-7 | 36.96 | 1845 | 85,8/43 | bidirezionale | -20-80 | 16-25 |
| Modal | (l/min) | (ML/r) | (MPa) | (MPa) | Rapporto di trasmissione | (Nm) | (giri/min) | Rotazione | (℃) | (mm2/s) |
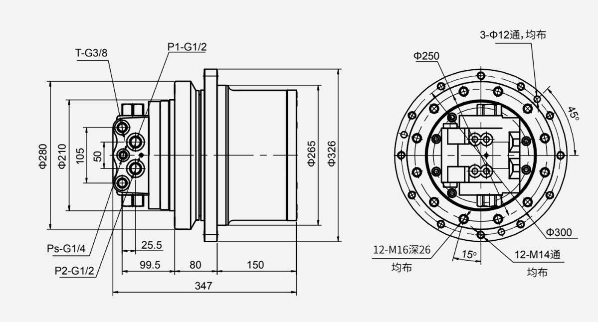
| ITM03 | 40 | 18/12 | 21 | 2-7 | 45.2 | 2719 | 55/37 | bidirezionale | -20-80 | 16-25 |
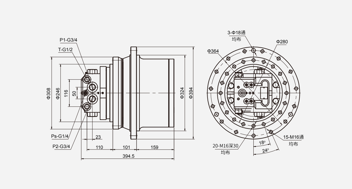
ITM04:
| Modal | (l/min) | (ML/r) Motor | (MPa) | (MPa) | Rapporto di trasmissione | (Nm) | (giri/min) | Rotazione | (℃) olio | (mm2/s) |
| ITM04 | 40 | 14.3/23.6 | 21 | 2-7 | 52.7 | 4200 | 55/33 | bidirezionale | -20-80 | 16-25 |
| Modal | (l/min) Flusso in ingresso | (ML/r) | (MPa) | (MPa) | Rapporto di trasmissione | (Nm) | (giri/min) | Rotazione | (℃) | (mm2/s) |
| ITM06 | 50 | 19/34 | 24.5 | 2-7 | 47.53 | 6300 | 55/30 | bidirezionale | -20-80 | 16-25 |
| Modal | (l/min) Flusso in ingresso | (ML/r) | (MPa) Pressione di esercizio | (MPa) | Rapporto di trasmissione | (Nm) | (giri/min) | Rotazione | (℃)olio | (mm2/s) |
| ITM07 | 50 | 22/44 | 27.5 | 2-7 | 53.706 | 10500 | 50/25 | bidirezionale | -20-80 | 16-25 |
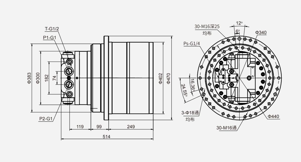
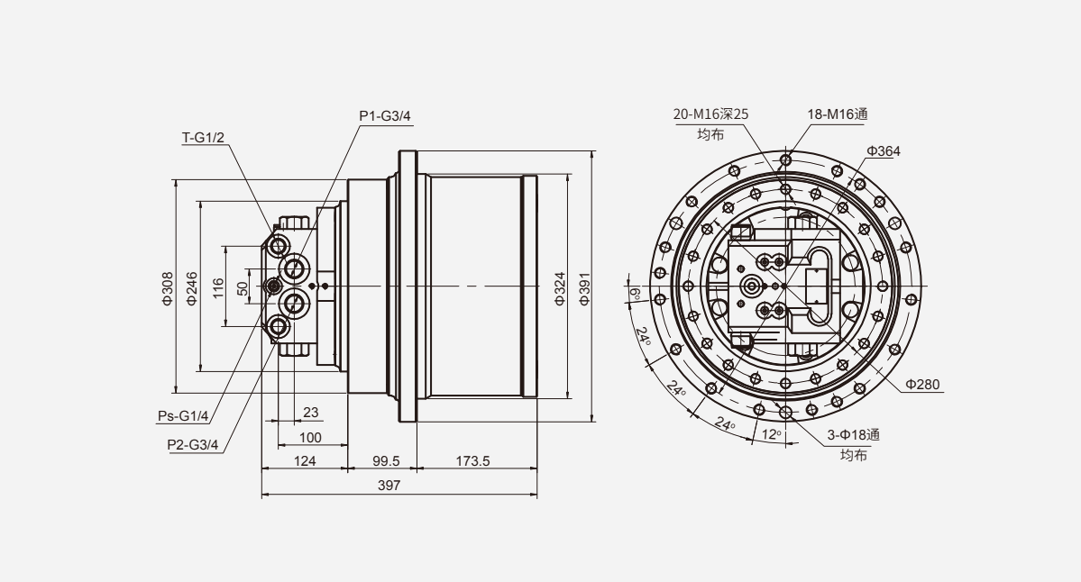
ITM09:
| Modal | (l/min) | (ML/r) | (MPa) | (MPa) | Rapporto di trasmissione | (Nm) | (giri/min) | Rotazione | (℃) | (mm2/s) |
| ITM09 | 80 | 34/53 | 30 | 2-7 | 53.7 | 11500 | 51/33 | bidirezionale | -20-80 | 16-25 |
| Modal | (l/min) | (ML/r) | (MPa) | (MPa) | Rapporto di trasmissione | (Nm) | (giri/min) | Rotazione | (℃) | (mm2/s) |
| ITM10 | 80 | 38/65 | 25 | 2-7 | 53.7 | 13000 | 51/33 | bidirezionale | -20-80 | 16-25 |
| Modal | (l/min) | (ML/r) | (MPa) | (MPa) | Rapporto di trasmissione | (Nm) | (giri/min) | Rotazione | (℃) | (mm2/s) |
| ITM18 | 130 | 43/67 | 30 | 2-7 | 53 | 16900 | 57/37 | bidirezionale | -20-80 | 16-25 |
| Modal | (l/min) | (ML/r) | (MPa) | (MPa) | Rapporto di trasmissione | (Nm) | (giri/min) | Rotazione | (℃) | (mm2/s) | Applicabile modelli |
| ITM22 | 130 | 48/81 | 34.3 | 2-7 | 53.7 | 23700 | 50/30 | bidirezionale | -20-80 | 16-25 | 13-17 |
| Modal | (L/min) | (ML/r) | (MPa) | (MPa) | Rapporto di trasmissione | (Nm) | (giri/min) Teorico | Rotazione | (℃) | (mm2/s) |
| ITM40 | 230 | 99/147 | 34.3 | 2-7 | 50.5 | 40546 | 50/32 | bidirezionale | -20-80 | 16-25 |
| Modal | (L/min) | (ML/r) | (MPa) | (Mpa) | Rapporto di trasmissione | (Nm) | (giri/min) | Rotazione | (℃) | (mm2/s) |
| ITM60 | 330 | 195/120 | 34.3 | 2-7 | 63.84 | 67000 | 40/26 | bidirezionale | -20-80 | 16-25 |
I prodotti forniti da aziende famose godono della profonda fiducia degli utenti.
Anni di esperienza nel settore
Zona di fabbrica
Dipendenti abili
Linea di produzione avanzata
INI Hydraulic Co., Ltd. Da oltre vent'anni è specializzata nella progettazione e produzione di verricelli idraulici, motori idraulici e riduttori planetari. Siamo uno dei fornitori professionali di accessori per macchine edili in Asia. Personalizzare per ottimizzare l'ingegnoso design delle apparecchiature dei clienti è il nostro modo per rimanere vivi in modo robusto sul mercato. In 26 anni, guidati dall'impegno di innovare sempre per soddisfare le esigenze dei clienti, abbiamo sviluppato una vasta gamma di linee di prodotto basate sulle nostre tecnologie auto-sviluppate. L'ampia gamma di prodotti, ognuno strettamente correlato, contiene verricelli idraulici ed elettrici, riduttori planetari, azionamenti di rotazione, azionamenti di trasmissione, motori idraulici, pompe e sistemi idraulici.
L'affidabilità dei nostri prodotti è stata ampiamente dimostrata in diverse applicazioni, tra cui, a titolo esemplificativo, macchinari industriali, macchine edili, macchinari per navi e ponti, attrezzature offshore, macchinari minerari e metallurgici.
Inoltre, la qualità dei nostri prodotti è stata approvata da numerosi enti di certificazione di fama mondiale. Le certificazioni ottenute dai nostri prodotti includono il certificato di esame del tipo CE, la MODALITÀ BV, il certificato DNV GL, l'attestato di conformità CE, il certificato di approvazione del tipo per prodotti marini e la garanzia di qualità del registro Lloyd. Finora, oltre alla Cina, il nostro mercato interno, abbiamo ampiamente esportato i nostri prodotti negli Stati Uniti, Germania, Paesi Bassi, Australia, Russia, Turchia, Singapore, Giappone, Corea del Sud, Malesia, Vietnam, India e Iran. I nostri servizi logistici e post-vendita coprono tutto il mondo in modo rapido e affidabile per gli interessi profondi dei nostri clienti.
02 Feb,2026
26 Jan,2026
19 Jan,2026
12 Jan,2026
05 Jan,2026
29 Dec,2025
22 Dec,2025
15 Dec,2025
TOP